轨道电力供配电远程控制实验平台
(1)平台建设内容
①轨道电力供电方式平台
主变电所应有两路独立的110kV电源。再由主变电所降压为城市轨道交通内部供电系统所需的电压级(35kV 或 10kV 等)。由主变电所构成的供电方案为集中式供电。三级电压制如下图所示,是将牵引变电所的供电和降压变电所的供电从电气上分开。牵引变电所采用 35(33)kV 电压供电,另设若干个35(33)/10kV中心降压变电所向全线降压变电所供电。牵引变电所高压侧为单母线接线,基本上以两个牵引变电所为一个单元分组,每个单元中的两个牵引变电所从不同的主变电所或同一主变电所的不同母线分别引入一回电源,两个牵引变电所之间也设有联络电缆,互为备用电源。

图 三级电压制集中供电方式一次接线图
为了让学生更深入理解轨道交通供电方式,建立起轨道交通三级电压制集中供电方式实验沙盘,实验沙盘如下图。

图 轨道交通电力供电沙盘
②轨道交通新型能馈式牵引供电系统平台
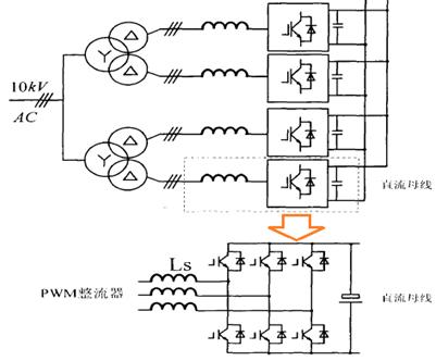
逆变回馈型再生制动能量吸收装置主要采用电力电子器件构成大功率三相逆变器,该逆变器的直流侧与牵引变电所中的整流器直流母线相联,其交流进线接到交流电网上。当再生制动使直流电压超过规定值时,逆变器启动并从直流母线吸收电流,将再生直流电能逆变成工频交流电回馈至交流电网。该吸收装置的电气系统主要包括晶闸管逆变器、逆变变压器、平衡电抗器、交流断路器、直流快速断路器、电动隔离开关、直流电压变换器和调节控制柜等。该装置充分利用了列车再生制动能量,提高了再生能量的利用率,节能效果好,并可减少列车制动电阻的容量。其能量直接回馈到电网,既不要配置储能元件,又不要配置吸收电阻,因此对环境温度影响小,在大功率室内安装的情况下多采用此方案。逆变回馈型另一种方式是再生制动能量吸收装置与整流系统相结合的方式,即整流装置本身既是整流器又是逆变器,根据当前供电系统电压大小、能量流动的情况来切换整流、逆变状态。此种装置结合了再生制动能量和整流系统,成本相对较低,适合大功率场合。本文所监控的新型能馈式牵引供电系统就是再生制动能量吸收装置与整流系统相结合的逆变回馈型供电系统。新型能馈式牵引供电系统的结构如图所示。系统由若干个整流器单元多重化并联组成。采用这种结构方式,可以提高系统的供电质量,同时供电装置扩容容易,并可以提供一定的冗余性。另外,新型能馈式牵引供电系统区别于传统系统的不同之处在于其直流侧的制动能量可以回馈到交流电网,交流侧功率因数可调,并且直流侧的输出特性完全可控。整流器单元是新型能馈式牵引供电系统的基本组成部分,每个整流器单元内由两个整流器与交流侧的变压器组成。新型能馈式牵引供电系统结构图如下图所示。

图 新型能馈式牵引供电系统
为了模拟新型能馈式牵引供电系统,在实验室建立2KW小功率新型能馈式牵引供电系统。主电路为单个PWM整流器。

图 2KW小功率新型能馈式牵引供电系统
(2)轨道电力供配电控制实验平台使用
①轨道电力供配电控制实验平台开设的实验情况
轨道电力供配电控制实验平台可以给《轨道交通供配电技术》、《轨道交通概论》电气部分等开设部分学生实验课。
②本科生毕业设计牵引变流器平台使用情况
相关课题的本科生在该实验平台做本科生毕业设计,主要轨道电力供配电控制、交流—直流电力电子变换器控制等。其汇总如下表。
表 轨道电力供配电平台本科生毕业设计
序号 | 姓名 | 学号 | 题目 | 指导老师 |
1 | 蒋帅 | 1242402030 | 三相光伏并网发电系统控制的研究 | 杨勇 |
2 | 龚健 | 1242402037 | 单相光伏并网发电系统控制的研究 | 杨勇 |
3 | 陈新宇 | 1242402041 | 单相光伏离并网一体储能机原理分析和实现 | 杨勇 |
4 | 邹豪 | 1217436009 | 基于蓝牙通讯的电机控制系统设计 | 樊明迪 |
5 | 褚志佳 | 1217436011 | 异步电机弱磁调速技术研究 | 樊明迪 |
6 | 戴杰帆 | 1217436015 | 电动汽车用永磁同步电机控制技术研究 | 樊明迪 |
7 | 沈潇潇 | 1217436016 | 永磁同步电机弱磁调速技术研究 | 樊明迪 |
8 | 王月盈 | 1217436034 | 电动汽车用异步电机控制技术研究 | 樊明迪 |
9 | 高文珺 | 1217436049 | 电动汽车电机驱动控制系统的研究 | 樊明迪 |
10 | 韩玮 | 1217436003 | 地铁牵引变流器主电路研究 | 何立群 |
11 | 张凯文 | 1217436030 | 电力牵引无速度传感器矢量控制技术 | 何立群 |
12 | 董浩 | 1217436045 | 基于DSP+FPGA的牵引控制平台研究 | 何立群 |
13 | 翁涛 | 1217436048 | 轨道交通牵引供电技术研究 | 何立群 |
| 苏州大学轨道交通实践教育中心 |