交流异步电动机电气控制及变频调速实验平台
(1)平台实验室模拟和建设
①二电平牵引变流器实验平台
牵引变流器实质是一个交—直—交变流器,它由整流、中间直流滤波、逆变及控制回路等部分组成。实验室为了模拟高速动车组主电路牵引变流器,在实验室建立了2KW的模拟实验平台,通过DSP(TMS320F2812)平台实现对三相异步电机的变压变频控制。实验平台有变压器、单相交流—直流变换器、直流-交流变换器、三相异步电机等组成。

图 变频调速实验平台

图 变频调速实验平台各模块
实验平台最大的特色是硬件平台做好过压、电流等硬件保护,学生可以编程为实现对三相异步电机的控制,程序修改方便,可以充分发挥学生主动性。变频调速实验平台各模块如上图。实验平台提供所有硬件平台的原理图,以便学生查问题。
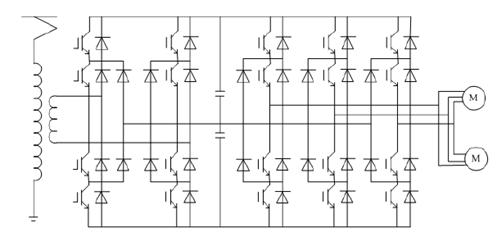
②三电平牵引变流器实验平台
以上是变频调速的变流器为二电平逆变器,而三电平牵引变流器采用单相三电平脉冲整流器结构,与两电平脉冲整流器相比较,具有以下优点:(1)每一个功率开关器件所承受的关断电压等级仅为直流侧母线电压的一半,在相同的情况下,直流母线电压可以提高一倍,容量也提高一倍;(2)在同样的开关频率及控制方式之下,输出电压或电流的谐波大大小于两电平变流器,其总的谐波失真THD 也远小于两电平变流器;即使在开关平率很低时,其输入侧的电流波形也可保证一定的正弦度,从而减小了对通信系统的谐波干扰;(3)三电平牵引变流器中间直流环节不设二次谐波滤波装置,减轻了牵引变流器和牵引变压器的质量。 三电平牵引变流器的逆变器采用三电平拓扑结构,与两电平逆变器相比,端电压波形包含较少的谐波分量。在一个周期内,两电平逆变器电路只有8种状态,而三电平有27 种状态,有利于减小相邻电路状态转换时引起的电压和电流波动,从而有利于降低损耗,提高电动机效率,减少转矩脉动。因此,三电平牵引变流器的逆变器在车辆牵引变流器中得到广泛的应用。下图为三电平牵引变流器实验平台的结构图如下图。

图 三电平牵引变流器实验平台结构图
三电平牵引变流器由单相三电平四象限整流器、中间直流回路以及三电平NPC 逆变器三个部分组成。单相三电平整流器共有8个功率开关器件,组成了两个对称的桥臂。三电平 NPC逆变器有12个功率开关器件,组成了三个对称的桥臂。而中间直流回路由两个大小相同的电容组成,两个电容的中点称之为中性点。
20KW三电平牵引变流器的硬件结构如下图所示,控制系统硬件部分主要包括DSP信号(采用TI公司32位数字信号处理器)。采集和调理电路、过零信号采集电路、晶振电路、JTAG接口、串行通信接口(SCI、SPI)、IIC电路、逆变器PWM和整流PWM、过流信号输入电路和PWM同步输入输出电路、风扇控制电路、逆变器状态输入电路和辅助电源电路。20KW三电平牵引变流器实验平台如下图,
三电平牵引变流器实验平台中控制板和单个三电平模块如下图。三电平牵引变流器实验平台最大的特色提供完整硬件平台图和各种电压、电流保护等保护,学生可以根据算法进行编程和调试,可以充分发挥学生的主动性和积极性。

图 20KW三电平牵引变流器的硬件结构

图 三电平牵引变流器实验平台

图 三电平牵引变流器实验平台控制模块

图 辅助电源板

图 三电平牵引变流器实验平台三电平模块
(2)牵引变流器实验平台使用
①牵引变流器平台开设的实验情况
二电平牵引变流器和三电平牵引变流器实验平台可以给《电力电子技术》、《车辆牵引传动与控制》、《DSP技术及应用》开设部分学生实验课,加深学生对牵引变流器的理解。主要可以开设实验如下:
l 三相异步电机调压调速实验
l 双闭环三相异步电机调压调速系统实验
l 三相正弦波脉宽度调制(SPWM)变频原理实验
l 马鞍波PWM变频调速方式变频原理实验
l 单相逆变器PWM整流实验
l MOSFET、IGBT特性实验
l DSP定时中断实验
l DSP外部中断实验
②本科生毕业设计牵引变流器平台使用情况
相关课题的本科生在该实验平台做本科生毕业设计,主要交流—直流、直流—交流、电机控制等相关研究工作,其汇总如下表。
表 牵引变流器平台本科生毕业设计
序号 | 姓名 | 学号 | 题目 | 指导老师 |
1 | 包永帅 | 1242402004 | 车辆牵引三相异步电机矢量控制技术研究 | 杨勇 |
2 | 张震 | 1242402018 | 单相光伏离网发电系统控制的研究 | 杨勇 |
3 | 蒋帅 | 1242402030 | 三相光伏并网发电系统控制的研究 | 杨勇 |
4 | 龚健 | 1242402037 | 单相光伏并网发电系统控制的研究 | 杨勇 |
5 | 徐威 | 1242402039 | 中小型三相异步电动机电磁设计 | 杨勇 |
6 | 陈新宇 | 1242402041 | 单相光伏离并网一体储能机原理分析和实现 | 杨勇 |
7 | 邹豪 | 1217436009 | 基于蓝牙通讯的电机控制系统设计 | 樊明迪 |
8 | 褚志佳 | 1217436011 | 异步电机弱磁调速技术研究 | 樊明迪 |
9 | 戴杰帆 | 1217436015 | 电动汽车用永磁同步电机控制技术研究 | 樊明迪 |
10 | 沈潇潇 | 1217436016 | 永磁同步电机弱磁调速技术研究 | 樊明迪 |
11 | 王月盈 | 1217436034 | 电动汽车用异步电机控制技术研究 | 樊明迪 |
12 | 高文珺 | 1217436049 | 电动汽车电机驱动控制系统的研究 | 樊明迪 |
13 | 韩玮 | 1217436003 | 地铁牵引变流器主电路研究 | 何立群 |
14 | 张凯文 | 1217436030 | 电力牵引无速度传感器矢量控制技术 | 何立群 |
15 | 董浩 | 1217436045 | 基于DSP+FPGA的牵引控制平台研究 | 何立群 |
16 | 翁涛 | 1217436048 | 轨道交通牵引供电技术研究 | 何立群 |
(3)牵引变流器实验平台产生成效
①大学生课外学术科研
l 朱彬彬,“三相光伏并网逆变器的研究”,苏州大学第十四批大学生课外学术科研基金项目,一般项目,已结题。
l 杨斌,“DSP技术在电气工程中的应用”,苏州大学第十五批大学生课外学术科研基金项目,一般项目,已结题
l 徐斌,“DSP技术在牵引变流器中的应用”,苏州大学第十六批大学生课外学术科研基金项目,一般项目,已结题
②研究生学术科研
多名研究生在该实验平台上从事整流和逆变方面的研究工作。如测试计量技术及仪器等专业的全日制硕士研究生。其中吴亮的研究方向为二极管钳位型三电平三相光伏并网逆变器的研究;朱彬彬的研究方向为非隔离型单相光伏并网逆变器的研究,研究生朱彬彬2014年获研究生国家奖学金,朱彬彬研究生毕业论文获2015年苏州大学优秀硕士论文。
③国际交流
通过实验平台与国际交流。如同国立韩国交通大学牵引变流器专家Kim Hag Wone教授、Cho Kwan Yuhl教授以及韩国庆尚大学电力电子变换器专家Se-Kyo Chung教授来院进行交流,就牵引变流器实验室平台建设、牵引变流器实验室平台上的本科生、研究生等培养进行交流并给出很多建设性性建议。下图为韩国三位教授在牵引变流器实验室与老师、学生进行交流。

(a) 与老师交流1

(b)与老师交流2

(c) 与老师交流3 (d)与学生交流
图 韩国三位教授在牵引变流器实验室与老师、学生进行交流
| 苏州大学轨道交通实践教育中心 |